chevron_left
Menu
Turck
search
Loading
add_shopping_cart
Home
Products
person
Login
SI-MAGB2SMQD | TURCK - Your Global Automation Partner
arrow_back_ios
arrow_forward_ios
Safety Technology
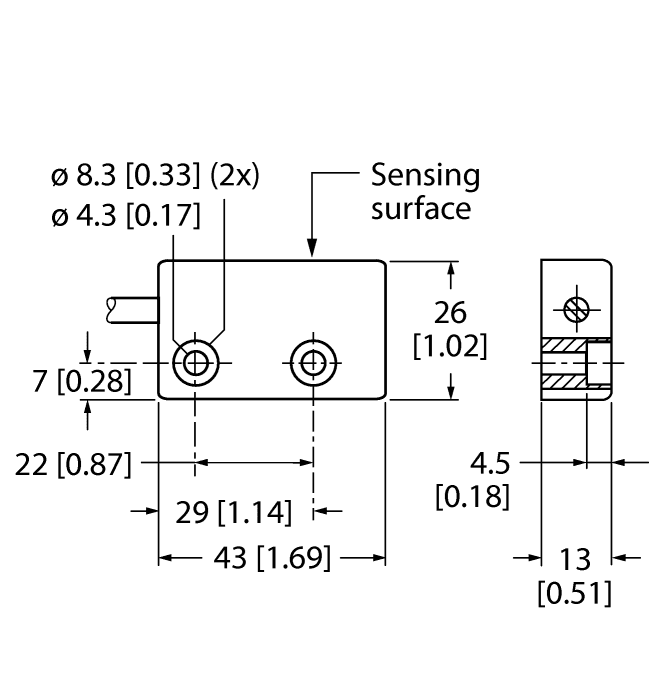
SI-MAGB2SMQD
Order ID no. 3807139
home
Home
Loading...
Technical Data
Protection class
IP67
Switching element function
NO/NC
Output function
Potential-free
Design
Rectangular
Electrical connection
Cable with connector
Connector type
M8 × 1
Housing material
Plastic
Housing quality
Thermoplastic material
Ambient temperature min. (°C)
-25
Ambient temperature max. (°C)
70
Max. range (mm)
14
Function
Magnetic safety switch
Cascadable
No
Coding level/tamper protection
Low
Key Features
Cascadable
No
Electrical connection
Cable with connector
Output function
Potential-free
In Stock
Price Group
F3
List Price
€67.90
home
Turck-Shop
Machine Safety
Safety Switches
SI-MAGB2SMQD
Item Total
€67.90
Quantity
−
+
add_shopping_cart
Add to Cart
Contact Support